- Kategorie
- Výrobci
- Filtr
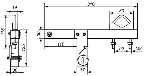
Držák stožárů/antén na komín s páskovým úchytem s aretací, bez nutnosti vrtat do konstrukce komínu
Zařazení produktu
Poslat info
Dotaz k tomuto produktu
Nalezli jste jinde na internetu nižší cenu?
Zaslat informaci o produktu známému
Nalezli jste chybu?
Parametry
|
Fyzická specifikace |
|---|
Související dokumenty
Detail
E8514_detail.JPG
Související produkty

Podrobnosti o produktu
Dodávka obsahuje:
2x kompletní sady držáků na komín vč. ochran hran komínu
2x stahovací pásky 5m délka
2x třmen pro uchycení stožáru
Technické parametry
Fyzická specifikace
Produkt manažer:
Tomáš Altmann, +420 246 030 713, tomas.altmann@ipmedia.cz